Views: 8 Author: Site Editor Publish Time: 2025-06-16 Origin: Site
Squeeze Bottle Valve:Three Aspects to Consider When Selecting
Squeeze Bottle Valve, Squeeze Bottle Valvealso known as one way flow valve, silicone dispensing valve, condiment bottle valve, which widely used on the caps of ketchup bottles, honey bottles, sauce bottles and so on. How to choose right silicone cross slit valve for your bottle closure? We suggest that these three aspects must be considered. Squeeze Bottle Valve
1.Silicone Dispensing Valve’s Structure
There are three common structures, a simple single silicone dispensing valve, a silicone valve with a plastic support section, and an overmolded silicone valve with plastic support.
The first one is the simplest. The production process only needs to vulcanise the silicone raw material into shape, and then punch and cut the cross slit, it is basically finished. As a result, it is also relatively inexpensive to produce.
Cross-Slit Valve
double duckill valves
single silicone dispensing valve
silicone diaphragm valve
The second type of cross valve is divided into two parts: a silicone valve and a plastic base, which is fitted to the lid by means of a snap. Two sets of molds are required to produce this type of slit valve, a compression moulding/silicone injection mould for the silicone valve and an plastic injection mould for the plastic base. And also need to produce these two parts separately, so the cost is higher compared to the first one.
plastic support+ silicone valve
shampoo packaging squeeze bottle caps valve
The third type of valve consists of two materials that are directly bonded together in production. It is usually produced by placing only the finished plastic part into a silicone mould, adding the raw silicone material and vulcanising it into shape. By overmolding, the two parts are tightly joined together and do not have to be assembled manually.
one way silicone valve for squeeze bottle cap
overmolding silicone air relief valve
If the silicone material is replaced by a soft plastic, e.g. TPE, then this valve can also be produced by two-shot plastic injection moulding. Its efficiency is higher and cost is lower. It is suitable for high volume production.
![]()
2. Cross Slit Valve’s Material
The Cross Slit Valve works on the principle of an elastic cross slit that opens by pressure and closes automatically, so it has the characteristics of unidirectional flow, leakage and contamination prevention, and precise volume control. Due to this characteristic, leak-proof bottles with Cross Slit Valve caps are widely used.
![]()
Exposure to different substances has different requirements for the material of the flow control valve, and you can refer to this table we have compiled to choose the right valve material for your products:
| Bottle contains | Required material |
| Edible products(honey, ketchup, water...) | Food- grade silicone |
| Personal care products (shampoo, cleanser...) | Corresponding chemically resistant rubber |
| Medical Products (disposable nasal rinse, portable bottle of contact Lens care solution) | Medical-grade silicone |
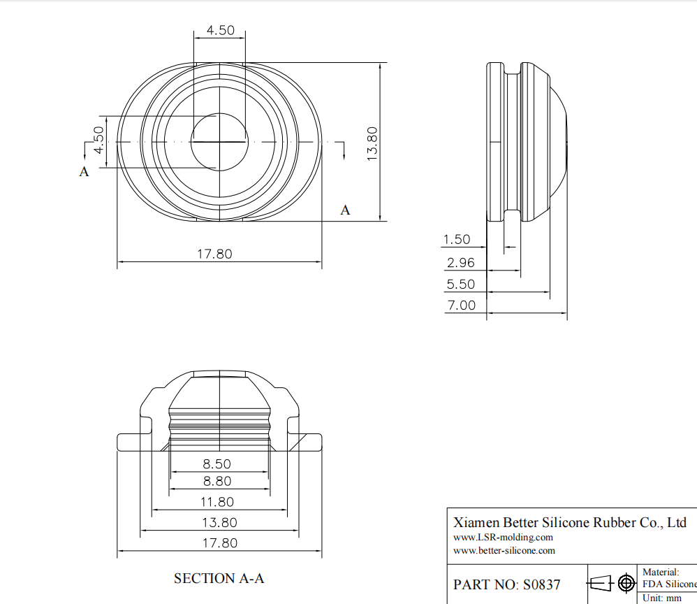
2. Silicone Diaphragm Valve’s Dimension
There are two vital dimensions for silicone diaphragm valve, diameter and Cross Slit size.
The diameter of the valve determines if it will work well with your cap. The size of the punch cutout determines how much liquid comes out when squeezed.
![]()
At the end of the article I will attach our production of various sizes of valves, if there is suitable for your needs, welcome to contact us to take samples for testing!
Here is our catalog of cross slit valve:

In addition to cross valves, silicone check valves are also available as umbrella valves and duckbill valves.
Contact Us / Product Inquire / Liquid Injection Molding / LSR Molding / Article Inquire / FAQ / Download / Sign In / Register / Gallery / China Hot Products / Hot Products / Liquid Silicone Rubber Molding / Customized service / Request Quote / LSR Mold Design Guide / Liquid Silicone Rubber / Liquid Silicone Rubber Molding / Food Grade Liquid Silicone Rubber / Medical Grade Liquid Silicone Rubber / LSR Seal / Expo News / Industry News / Liquid Injection Molding - Better Silicone Project News / Silicone Materail Certifications / Silicone Umbrella Valves Drawing